|
CXLD64257低压差低功耗的线性稳压器极低的输出阻抗和快速的瞬态晌应输入电压1.4-6.5V 1uF输出电容1%的输出电压精度用于军事通信卫星火箭航天飞机 | |||||||||||||||||||||||||||||||||||||||||||||||||||||||
|
目录7.相关产品 产品概述 返回TOP CXLD64257是一款低压差,低功耗的线性稳压器,极低的输出阻抗和快速的瞬态晌应。极小的输出电容即可保证工作的稳定性产品特点 返回TOP 宽的输入电压范围,1.4-6.5V 1uF的输人和输出电容 1%的输出电压精度 -40-125度内最大dropout 为 500mV 最低0.9V输出电压 MSOP-8 应用范围 返回TOP 留达及军事通信 卫星、火箭、航天飞机 宇航系统 导弹武器系统 监视与情报系统 技术规格书(产品PDF) 返回TOP 需要详细的PDF规格书请扫一扫微信联系我们,还可以获得免费样品以及技术支持! 产品封装图 返回TOP
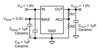
电路原理图 返回TOP
| |||||||||||||||||||||||||||||||||||||||||||||||||||||||
|
低压差线性稳压器Low Dropout Regulator |
||||||||
|
Part Number |
Function |
Vin |
Vout |
Iout |
Vdo(Typ) |
VREF |
Accuracy |
Package |
|
LDO |
2.4~26 V |
3 V |
3 A |
0.37 V @3A |
\ |
1% |
TO-220-3 |
|
|
LDO |
1.25~26 V |
ADJ V |
5 A |
0.37 V @5A |
1.24 V |
1% |
TO-220-5 |
|
|
CXLD64256/RH |
LDO |
0.8~5.5 V |
ADJ V |
3 A |
0.12 V @3A |
0.8 V |
1% |
TO-263-8 |
|
LDO |
1.4~6.5 V |
ADJ V |
1.5 A |
0.28 V @1.5A |
0.9 V |
1% |
MSOP-8 |
|






