供应50mA的超低静态电流LDO线性稳压器AP8841,深圳上海北京现货特价出售
文章标签
暂无标签
| (1) CXLE86296D 五通道高 |
| (2) CXLE86295D 五通道高 |
| (3) CXLE86294E PWM调光LE |
| (4) CXLE86293EI 线性恒流 |
| (5) CXLE86292CI 五通道I2 |
| (6) CXLE86291C 三通道PWM |
| (7) CXLE83205X PWM调光LE |
| (8) CXLE83204XS高精度PWM |
| (9) CXLE83203F:高功率DIP7 |
| (10) CXLE83202F:高精度PWM |
Features4Q4嘉泰姆
Operating Voltages Range:+2.5V to +18.0V4Q4嘉泰姆
Output Voltages Range:+1.5V to +5.0V with 100mV Increment4Q4嘉泰姆
Low Dropout: 800mV @ 50mA4Q4嘉泰姆
High Output Voltage Accuracy4Q4嘉泰姆
±2%:VOUT≧2.7V4Q4嘉泰姆
±2.4%:VOUT≦2.6V4Q4嘉泰姆
Thermal Overload Shutdown Protection4Q4嘉泰姆
Low ESR Capacitor Compatible4Q4嘉泰姆
SOT-23, SOT-89 & TO-92 Packages4Q4嘉泰姆
RoHS Compliant and 100% Lead (Pb)-Free and Green (Halogen Free with Commercial Standard)4Q4嘉泰姆
Applications4Q4嘉泰姆
Battery powered Equipments4Q4嘉泰姆
Portable Communication Devices4Q4嘉泰姆
Precision Voltage References4Q4嘉泰姆
Hand-Held Electronics4Q4嘉泰姆
Wireless Communication Systems 4Q4嘉泰姆
General Description4Q4嘉泰姆
The AP8841 series is a positive voltage regulator with high accuracy
output voltage and ultra-low quiescent current which is typically 1.0μA.
The device is ideal for battery powered handheld equipments which
require low quiescent current.
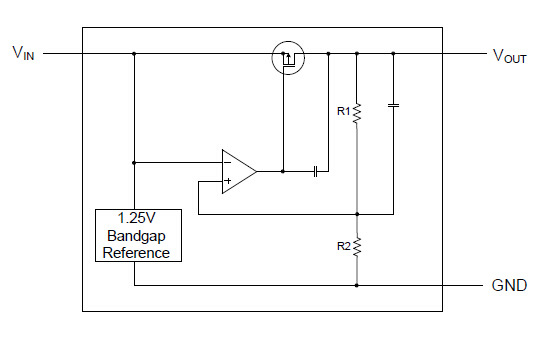
The AP8841 contains a bandgap voltage
reference,an error amplifier, a P-channel pass transistor, and a
resistor-divider for setting output voltage. The output voltage is fixed
with high accuracy by advanced trimming technology.
The AP8841
has been designed to be used with low cost ceramic capacitors and
requires a minimum output capacitor of 1.0μF. The devices are available
in SOT-23, SOT-89, and TO-92 packages4Q4嘉泰姆
4Q4嘉泰姆
Simplified Application Circuit






Function Block Diagram
APPLICATION CIRCUITS
Current Boost Circuit4Q4嘉泰姆
The figure below shows a boost circuit for increasing the output current. Output current 60mA or more can be obtained by this circuit.4Q4嘉泰姆
4Q4嘉泰姆
Short-Circuit protection of Tr1 can be implemented by adding the sense resistor RS and the PNP transistor Tr2 as shown below.4Q4嘉泰姆
4Q4嘉泰姆
The current limit of the protection circuit is:4Q4嘉泰姆
4Q4嘉泰姆
Voltage Boost Circuit4Q4嘉泰姆
If the output voltage you need is greater than 5.0V, the circuit in the figure below will increase output voltages easily4Q4嘉泰姆
4Q4嘉泰姆
The output voltage is obtained by:

Where
VSET is the preset output voltage of AP8841 and ISS is the quiescent
current. Because of the low quiescent current, the resistor values, R1
and R2,can be set as large as several hundreds kΩ to lower the power
consumption of the whole
system.4Q4嘉泰姆
4Q4嘉泰姆
Constant Current Source
The AP8841 Series can be used as a constant
current source within allowable current limit.4Q4嘉泰姆
The output current is obtained by:4Q4嘉泰姆
Dual Supply
A dual supply can be constructed with two AP8841 series as show in the
figure below. This circuit provides two outputs (5V and 8V) with the
AP8841 -30Px and the AP8841-50Px. As the resistance R lets the quiescent
current of IC1 pass. R is unnecessary if the minimum output current of
IC2 is more than the IC1 quiescent current. D is a protection diode in
case VOUT2 becomes larger than VOUT1.4Q4嘉泰姆
4Q4嘉泰姆
4Q4嘉泰姆
4Q4嘉泰姆
4Q4嘉泰姆
4Q4嘉泰姆

中文
English
发表评论