供应场效应管7N60,电压600V,电流7A
FEATURES
OriginativeNew Design
Superior Avalanche Rugged TechnologyRobust Gate Oxide Technology
Very Low Intrinsic Capacitances
Excellent Switching Characteristics
Unrivalled Gate Charge : 30 nC (Typ.)
Extended Safe Operating Area
Lower RDS(ON) : 0.96 Ω (Typ.) @VGS=10V
100% Avalanche Tested
Notes ;Repetitive Rating : Pulse width limited by maximum junction temperature
L=15.7mH, IAS=7.0A, VDD=50V, RG=25Ω, Starting TJ =25°C
ISD≤7.0A, di/dt≤300A/μs, VDD≤BVDSS , Starting TJ =25 °C
Pulse Test : Pulse Width ≤ 300μs, Duty Cycle ≤ 2%
Essentially Independent of Operating Temperature
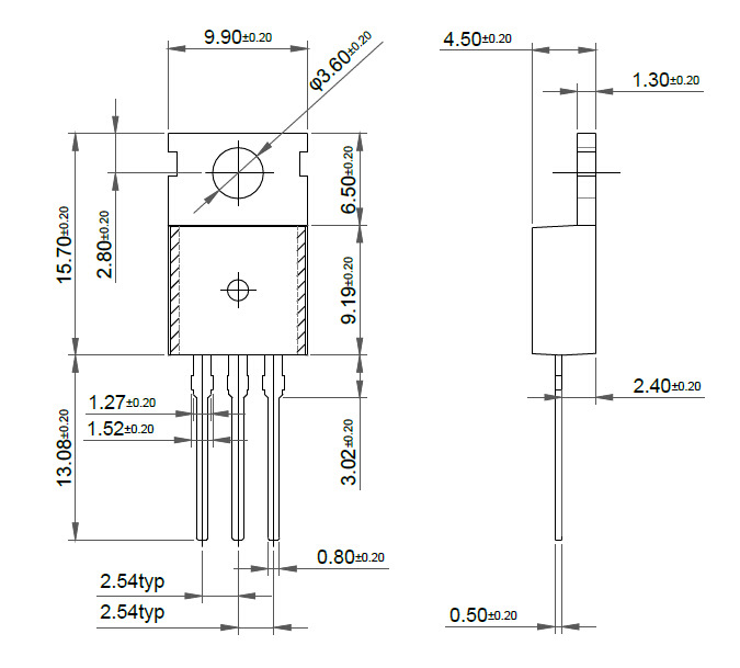
Package Dimension
TO-220 (A)
TO-220 (B)
文章标签
暂无标签

中文
English

发表评论