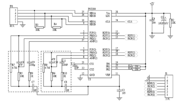
智能卡接口芯片CXRS3133 Dual Track F/2F Decoder,应用于磁条读卡系统。F/2F读/解码芯片能够恢复从磁头产生的F/2F数据码流中包含的时钟和数据信息。在数据速率范围200~15000位/秒内,数据将会自动获取并追踪
摘要:智能卡接口芯片CXRS3133 Dual Track F/2F Decoder,应用于磁条读卡系统。F/2F读/解码芯片能够恢复从磁头产生的F/2F数据码流中包含的时钟和数据信息。在数据速率范围200~15000位/秒内,数据将会自动获取并追踪
目录
相关芯片选择指南 返回TOP
智能卡接口</p> | ||||||||
Product | Character | Data Rates | VDD Voltage | Reference Voltage | Standby Current | Operating Current | Cross Reference | Package |
Dual Track F/2F Decoder | 200~15000bit/s | 5V | 1.63~1.7V | 2.5mA | 1.8~3.5mA | M3-2200 | SOP28 | |
IC Card Interface | 2.5~5V | 1.8V/3V/5V | 8KV | 2.45V | 0.1V | 120mA | SOP28 | |
IC Card Interface | 2.5~5V | 3V/5V | 8KV | Adjustable | 0.1V | 120mA | SOP28 | |
文章标签
暂无标签

中文
English





发表评论